The Keeper® Trailer Stake Pocket for trucks and trailer. Attach to the side of the trailer or truck bed for tie-down point and to secure stake post.
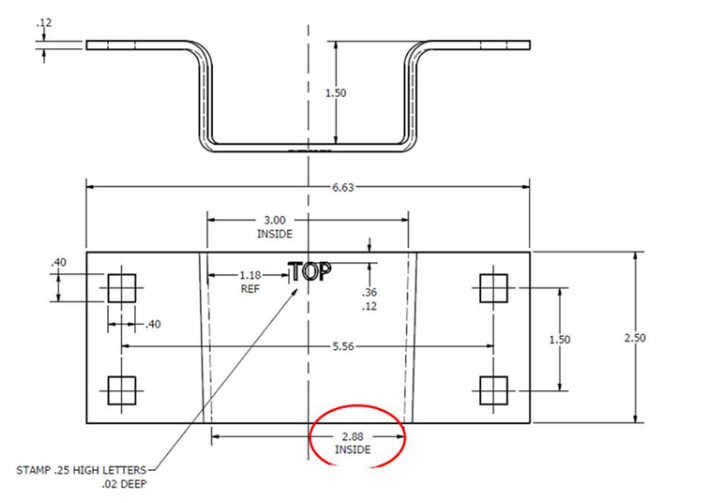
- Measures 3" inside top and 2.88" inside bottom
- Constructed from solid steel
- 4 holes for bolt attachments
- For trucks and trailers, side support
The 89323 tapered stake pocket dimensions are shown below.
(4) square holes that are made for a 3/8” Carriage Bolt
A standard 2x4 stud actually measures 1.5” x 3.5”.
A standard 2 x 4 would need to be trimmed to provide the degree of interference fit required (tightness of the stud within the tapered sheet metal pocket).
Comments
0 comments
Please sign in to leave a comment.