Bolt or screw-on straight trailer stake pocket for trailer and truck flat bed. Attach to the side of the trailer or truck bed for tie-down point and to secure stake post.
- 3-13/16" wide straight pocket
- Bolt or screw-on
- Tie-down point to trailer and truck flat bed
- Easy installation and use
-
We do not give a Working Load Limit on our 89322
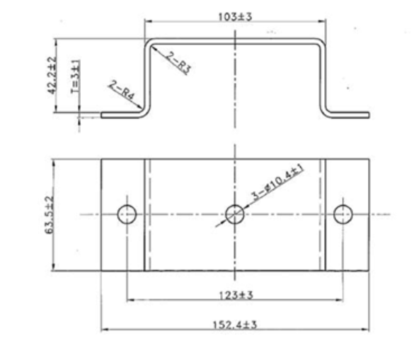
Material = steel (Q235)
Material thickness = 3mm (0.12”)
Screw hole to screw hole = 123mm (4.84")
Finish = white-blue zinc chromate (silver colored)
103mm – 4.05 inches
42.2mm – 1.66 inches
63.5mm – 2.5 inches
123mm – 4.84 inches
152.4mm – 6 inches
Comments
0 comments
Please sign in to leave a comment.