To keep your winch in top running condition we offer the 12V Switching Solenoid that works with the KT2500, KT3000, and KT4000 models. The Replacement Solenoid can be mounted anywhere within a 4 ft. range. This allows for custom mounting positions based on the application in which the winch is being used.
- Controls in and out winch direction
- Mounts within a 4 ft. range
- Works with KT2500, KT3000(S), and KT4000(S)
Solenoid notes.
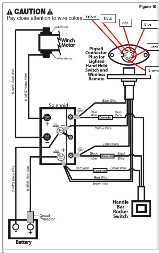
Our KT2500, KT3000, and KT4000 has a solenoid that requires remote mounting as shown in the owner’s manual picture below. The solenoid is not mounted to the winch.
Is the solenoid defective?
Does it winch in one direction or only the other? Is it making a clicking noise?
Almost always when it is the solenoid, the winch will still work in one direction or the other and click when trying to winch in the direction of failure.
Confirm polarity switch by switching the battery inputs and checking if it reverses (and only powers in) or another way is by changing the White and Blue wire on the solenoid. (BE VERY CAREFULL) this will reverse the winch’s direction. OUT will now be coming IN and IN will now be going OUT. But this will confirm if the solenoid has a one directional pole/contact failure.
If no clicking noise, or working in either direction and you've tested the battery we are lead to believe its a connection issue.
Please check for poor connection(s) and that all wiring is tight and clean. Also, check that switch wires are connected properly to the solenoid.
Comments
0 comments
Please sign in to leave a comment.