The Keeper KT2000 Electric Winch is designed for all-purpose use, great for the house, farm, and ATV. The electric winch easily connects to 12V battery using the included wiring harness. It features a handheld control for power in/out operation of the permanent magnet motor and quickly release the wire rope with the pull/turn free-spool clutch knob. The winch is constructed to permanently mount to the trailer or ATV. The tensioner plate comes preinstalled.
- 50’ of 5/32” Galvanized Wire Rope with hook and safety latch
- Wire gauge is 8
- 1.2 HP 12V DC motor
- Single stage planetary gear box, 153:1 gear ratio, all metal gear train
- Full-load holding dynamic brake
- Pull and turn-free spool clutch
- Comes with 5 ft. color coded battery leads and 4 ft. color coded winch leads
- The difference between the KM and KT is the KM has a different type hand control than the KT
- Side-mounted drum makes mounting easy in cramped spaces
- The tensioner plate is built in on the winch for KM2000 and KT2000
- Limited 90-Day Warranty
Suggested Accessories
KTA14115 ATV Roller Fairlead, Fits mounting plate KTA502
KTA502 Flat Mount Plate
KTA14131 2” Receiver Mount Hitch
KTA14128 Wiring Kit 6 AWG Wire @25’ & 6’ w/Quick Connect
KTA15120 Pulley Block Assembly 8,000 lbs.
KWA14617 Bow Shackle ¾”
Replacement Parts
#19 - KTA16000 Replacement Freewheel Knob for KT2000
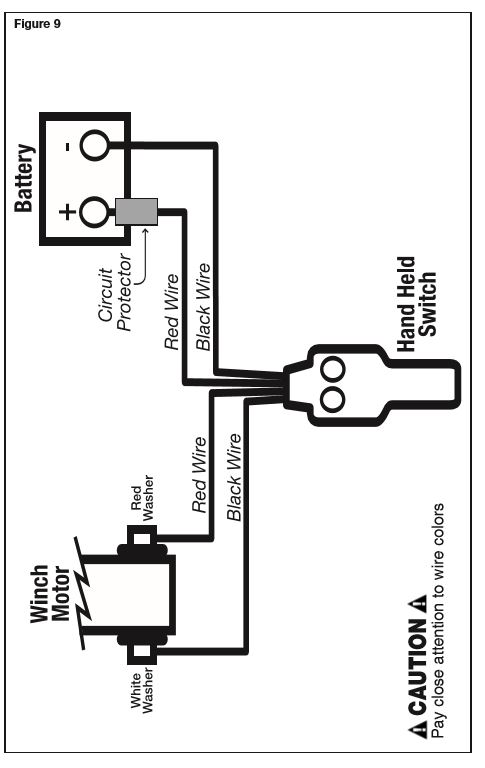
#25 - KTA14101 Hand Held Switch for KT2000
#26 - KTA14129 Circuit Breaker KT2000
#22 - KTA14118 Wire Rope w/Hook 5/32" x 50' for KT2000, KM2000
At the maximum 2,000 lb. capacity, the KT2000 would draw 110 amps.
2,000 lbs. Single layer line pull, 13.5 FPM line speed (no load)
We did an actual physical FPM test of the KT2000 winch with no load on it in our lab and the FPM was approximately 24 FPM. The winch will slow down and could be as slow as 13.5 FPM under a 2,000lbs. load and at full cable extension off the drum.
Q: Can the winch be connected to a 12V adapter?
A: Our winches are not designed for overhead lifting and should not be connected to a 12V adapter.
Q: Can the cable be spooled opposite as shown and would the winch still pull and dynamic brake?
A: The cable should NEVER be spooled in the opposite direction as shown in the owner’s manual.
- The Cable Tension Plate will not work as designed and shown.
- The torque and cable tension is designed to be between the center of the drum, the drum axle and winch mounting plate. The cable retrieving should never come on the top or above the drum axle.
- If the cable is spooled opposite direction the cable tension is above the drum axle and this will weaken and could break the winch possibly causing injury or death to the user.
Q: Can I add a mini rocker switch to a KT2000?
A: “Mini Rocker Switch” will NOT work on a KT2000. The KT2000 has a handle controller with built-in directional switches, these built-in directional switches act as a solenoid to control the IN or OUT directions. The Mini Rocket Switch must be connected to a solenoid to control the IN – OUT directions. The KT2000 does not use a solenoid, this is built-in the factory supplied handle, we do NOT have a Mini Rocker Switch for a KT2000.
Any alterations to the unit will void the warranty and we would not be responsible for any issues that arose from those changes.
Trouble shooting:
Double check the battery is fully charged and supplying the amps to the winch. Test light can show voltage is getting to the winch but it is the amperage that turns the motor.
Winch Drum Screw:
Comments
0 comments
Please sign in to leave a comment.